JXPC propose des accessoires de montage pour vérins pneumatiques standard ISO 6431 avec différents choix pour répondre aux besoins des clients, lorsque les vérins fonctionnent dans des environnements différents.
Des modèles comme ci-dessous
Support de pied ISO-LB
Boucle d'oreille simple ISO-CA
Boucle d'oreille double ISO-CB
Type de bride ISO-FA
Tourillon central ISO-TC
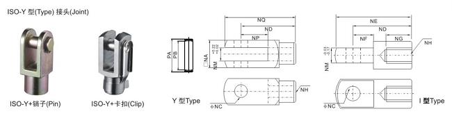
Joint ISO-Y avec goupille ou clip
Joint ISO-I
Joint à flotteur ISO-UJ
Joint à oeil de poisson ISO-PHS
ISO-SDB
Bride M-FA-A
Support MU
Caractéristiques
Type ISO-LB

Symbole / alésage (mm) | 32 | 40 | 50 | 63 | 80 | 100 | 125 | 160 | 200 |
AA | 158 | 179 | 190 | 209 | 248 | 266 | 290 | 340 | 380 |
AC | 142 | 161 | 170 | 185 | 210 | 228 | 250 | 300 | 320 |
UN D | 8 | 9 | dix | 12 | 19 | 19 | 20 | 20 | 30 |
AE | 47 | 53 | 65 | 75 | 115 | 115 | 140 | 180 | 220 |
UN F | 32 | 36 | 45 | 50 | 75 | 75 | 90 | 115 | 135 |
AG | 24 | 28 | 32 | 32 | 45 | 45 | 45 | 60 | 70 |
AH | 32 | 36 | 45 | 50 | 71 | 71 | 90 | 115 | 135 |
AP | 7 | 9 | 9 | 9 | 14.5 | 14.5 | 16,5 | 18,5 | 24 |
À | 3 | 3 | 3 | 3 | 4 | 4 | 6 | 6 | 9 |
Type de boucle d'oreille simple ISO-CA

Symbole / alésage | 32 | 40 | 50 | 63 | 80 | 100 | 125 | 160 | 200 |
S | 47 | 53 | 65 | 75 | 95 | 115 | 140 | 180 | 220 |
T | 32,5 | 38 | 46,5 | 56,5 | 72 | 89 | 110 | 140 | 175 |
DC | 22 | 25 | 27 | 32 | 36 | 41 | 50 | 55 | 60 |
DD | 9 | 12 | 12 | 15 | 15 | 20 | 25 | 30 | 30 |
DE | dix | 12 | 12 | 16 | 16 | 20 | 25 | 30 | 30 |
DJ | 13 | 16 | 17 | 22 | 22 | 27 | 33 | 35,5 | 36 |
DQ | 25.8 | 27,8 | 31,7 | 39,7 | 49,7 | 59,7 | 69,7 | 89,7 | 89,7 |

Type de double boucle d'oreille ISO-CB
Symbole / alésage | 32 | 40 | 50 | 63 | 80 | 100 | 125 | 160 | 200 |
CC | 22 | 25 | 27 | 32 | 36 | 41 | 50 | 55 | 60 |
CD | 9 | 12 | 12 | 15 | 15 | 20 | 25 | 30 | 30 |
CE | dix | 12 | 12 | 16 | 16 | 20 | 25 | 30 | 30 |
CJ | 13 | 16 | 17 | 22 | 22 | 27 | 31 | 35,5 | 36 |
CP | 26 | 28 | 32 | 40 | 50 | 60 | 70 | 90 | 90 |
CT | 45 | 52 | 60 | 70 | 90 | 110 | 130 | 170 | 170 |
PA1 | 51 | 59 | 67 | 77 | 97 | 119 | 139 | 181 | 181 |
PB1 | 45,5 | 52,5 | 60,5 | 70,5 | 90,5 | 110,5 | 130,5 | 170,5 | 170,5 |
S | 47 | 53 | 65 | 75 | 95 | 115 | 140 | 180 | 220 |
T | 32,5 | 38 | 46,5 | 56,5 | 72 | 89 | 110 | 140 | 175 |
ISO-FA Bride de montage du vérin pneumatique ISO-FB

Symbole / alésage | 32 | 40 | 50 | 63 | 80 | 100 | 125 | 160 | 200 |
UN J | 11 | 11 | 14 | 14 | 17 | 17 | 19 | 25 | 25 |
AK | 7 | 7 | 9 | 9 | 11 | 11 | 13 | 17 | 17 |
BA | 30,5 | 30,5 | 40,5 | 45,5 | 45,5 | 55,5 | 60,5 | 65,5 | 75,6 |
BB | dix | dix | 12 | 12 | 16 | 16 | 20 | 20 | 25 |
avant JC | 47 | 53 | 65 | 75 | 95 | 115 | 140 | 180 | 220 |
BD | 32 | 36 | 45 | 50 | 63 | 75 | 90 | 115 | 135 |
ÊTRE | 80 | 90 | 110 | 125 | 154 | 186 | 224 | 280 | 320 |
BF | 64 | 72 | 90 | 100 | 126 | 150 | 180 | 230 | 270 |
BH | 4 | 4 | 4 | 6 | 6 | 6 | 8 | 8 | 12 |
BP | 7 | 9 | 9 | 9 | 12.5 | 14.5 | 16,5 | 18,5 | 24 |
T | 32,5 | 38 | 46,5 | 56,5 | 72 | 89 | 110 | 140 | 175 |
Tourillon central ISO - TC

Symbole / alésage | 32 | 40 | 50 | 63 | 80 | 100 | 125 | 160 | 200 |
EB | 100 | 113 | 125 | 140 | 160 | 182 | - | - | - |
CE | 52 | 63 | 74 | 80 | 105 | 128 | - | - | - |
ED | 32,5 | 38 | 46,5 | 56,5 | 72 | 89 | - | - | - |
EE | 52 | 63 | 75 | 90 | 105 | 128 | - | - | - |
PAR EXEMPLE | 25 | 25 | 25 | 25 | 25 | 25 | - | - | - |
EP | 12 | 16 | 16 | 20 | 20 | 25 | - | - | - |
ET | 20 | 22 | 22 | 28 | 28 | 34 | - | - | - |
HC | 37 | 45 | 55 | 68 | 87 | 107,5 | - | - | - |
Y type ISO Standard joint de montage de cylindre pneumatique

Symbole / alésage | 32 | 40 | 50 | 63 | 80 | 100 | 125 | 160 | 200 |
N / A | 19 | 25.4 | 32 | 32 | 44,4 | 44,4 | 55 | 70 | 70 |
Caroline du Nord | dix | 12 | 16 | 16 | 20 | 20 | 30 | 35 | 35 |
Dakota du Nord | 40 | 48 | 64 | 64 | 80 | 80 | 110 | 144 | 144 |
NE | 52 | 67 | 89 | 89 | 112 | 112 | 155 | 201 | 201 |
NF | 15 | 24 | 32 | 32 | 40 | 40 | 50 | 50 | 55 |
NG | 20 | 20 | 23 | 23 | 30 | 30 | 56 | 72 | 72 |
NH | M10X1.25 | M12X1.25 | M16X1.5 | M20X1.5 | M27X2.0 | M27X2.0 | M36X2.0 | M36X2.0 | M36X2.0 |
NM | dix | 12 | 16 | 16 | 20 | 20 | 30 | 35 | 35 |
NP | 20 | 24 | 32 | 32 | 40 | 40 | 54 | 72 | 72 |
NQ | 52 | 62 | 83 | 83 | 105 | 105 | 148 | 191 | 191 |
Pennsylvanie | 26.2 | 32.8 | 39,9 | 39,3 | 53,3 | 53,3 | 64 | 80 | 80 |
PB | 20 | 26,5 | 33 | 33 | 45 | 45 | 55,6 | 70,6 | 70,6 |
Joint de flotteur Modèle ISO - UJ

Symbole / alésage | MA | MB | MC | MARYLAND | MOI | MF | MG | MH | MI | MK |
32 | 58 | 22 | 7 | 21 | 26 | 11.5 | 7 | dix | M10X1.25 | 12 |
40 | 58 | 22 | 8 | 21 | 26 | 11.5 | 8 | 12 | M12X1.25 | 12 |
50 | 90 | 27 | dix | 41 | 44,5 | 20 | dix | 17 | M16X1.5 | 7 |
63 | 90 | 27 | dix | 41 | 44,5 | 20 | dix | 17 | M16X1.5 | 7 |
80 | 102 | 29 | 13 | 46 | 53 | 24 | 13 | 22 | M20X1.5 | dix |
100 | 102 | 29 | 13 | 46 | 53 | 24 | 13 | 22 | M22X1.5 | dix |
125 | 147 | 54 | 13 | 64 | 62 | 39 | 14 | 30 | M27X2.0 | 9 |
160 | 251 | 72 | 22 | 115 | 80 | 80 | 18 | 36 | M36X2.0 | 4 |
200 | 251 | 72 | 22 | 115 | 80 | 80 | 18 | 36 | M36X2.0 | 4 |
Joint à oeil de poisson type PHS

Symbole / alésage | Pennsylvanie | PBB | PC | PD | PE | PF | PG | PH |
32 | 11 | 26 | dix | 21 | 43 | 56 | M10X1.25 | 13 |
40 | 12 | 30 | 12 | 24 | 50 | 65 | M12X1.25 | 13 |
50 | 15 | 38 | 16 | 33 | 64 | 83 | M16X1.5 | 15 |
63 | 15 | 38 | 16 | 33 | 64 | 83 | M16X1.5 | 15 |
80 | 18 | 46 | 20 | 40 | 77 | 100 | M20X1.5 | 15 |
100 | 18 | 46 | 20 | 40 | 77 | 100 | M20X1.5 | 15 |
125 | 37 | 70 | 30 | 51 | 110 | 145 | M27X2.0 | 15 |
160 | 43 | 80 | 35 | 56 | 125 | 165 | M36X2.0 | 16 |
200 | 43 | 80 | 35 | 56 | 125 | 165 | M36X2.0 | 16 |
Type ISO - SDB

Bride de type M-FA-A

Support de type MU

étiquette à chaud: supports de montage de vérins pneumatiques, Chine, fabricants, fournisseurs, usine, vente en gros, sur mesure, en vrac, prix, devis, en stock














